7.4V 30kg.cm CAN Bus Titanium Gear Metal brushless Servo
Price: 0 $
- Parameters
- Downloads
-
Product Model No:FU-8830-C001
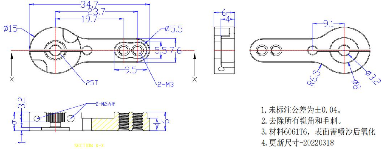
Structure Size:40*20*39mm
The Maximum Speed:0.083sec/60°@7.4V
The Stall Torque:34.5kg. cm@7.4V
The Rotation Degree:180°
Product details
|
型 号 Model: |
FU-8830-C001 |
|
产品名称 Product Name: |
7.4V 30kg.cm180°舵机/7.4V 30KG 180 Degree Servo |
| 存储温度 Storage Temperature Range | -30℃~80℃ |
| 运行温度 Operating Temperature Range: | -20℃~60℃ |
|
尺寸 Size: |
A:40mm B:20mm C: 39mm |
|
重量 Weight: |
86.4±2g |
| 齿轮类型 Gear type: |
钛齿 Titanium |
| 机构极限角度 Limit angle: |
NO |
| 轴承 Bearing: | 滚珠轴承 Ball bearings |
| 出力轴 Horn gear spline: |
25T/5.9mm |
| 减速比Gear Ratio: | 1/241 |
| 外壳 Case: | Aluminum |
| 舵机线 Connector wire: | 30±1CM |
| 马达 Motor: |
Brushless Motor |
|
工作电压Operating Voltage Range: |
6-8.4V |
| 静态电流Idle current (atstopped) |
55mA@7.4V |
|
空载速度 No load speed: |
0.083sec/60°(120RPM)@7.4V |
| 空载电流 Runnig current(at no load) : | 420mA@7.4V |
|
堵转扭矩 Peak stall torque: |
34.5kg.cm@7.4V |
|
额定扭矩 Rated torque: |
11.5kg.cm@7.4V |
| 控制信号Command signal | Pulse width modulation |
| 通讯协议 Communication Protocol | UAVCAN |
| 控制系统类型 Control System Type | Digital comparator |
| 脉冲宽度范围Pulse width range | 500~2500 μ sec |
| 中立位置Stop position | 1500 μ sec |
| 操作角度Running degree |
180±5°(at 500→2500μsec) |
| 死区宽度Dead band width | ≤4 μ sec |
| 旋转方向Rotating direction | 逆时针 Counterclockwise(在1500→2000 μsec) |
| 详细规格书下载Download detailed specifications: | |
| 防水性能Waterproof performance: | IP66 |
| 外形图 The Drawings: |








