6V 7kg.cm250 Degree Digital Servo FT3325M
Price: 0 $
- Parameters
- Downloads
-
Product Model No:FT-3325-C001
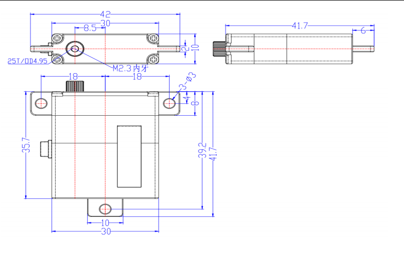
Structure Size:30*10*35.7mm
The Maximum 0.095sec/60degree@8.4V
The Stall Torque:9.5 kg.cm@8.4V
The Rotation Degree:250°
Product details
|
型 号 Model: |
FT3325M |
|
产品名称 Product Name: |
6V |
| 存储温度 Storage Temperature Range | -30℃~80℃ |
| 运行温度 Operating Temperature Range: | -15℃~70℃ |
|
尺寸 Size: |
A:30mm B:10mm C:35.7mm . |
|
重量 Weight: |
28.5± 1g |
| 齿轮类型 Gear type: | Metal Gear |
| 机构极限角度 Limit angle: |
No limit |
| 轴承 Bearing: | 滚珠轴承 Ball bearings |
| 出力轴 Horn gear spline: | 25T/4.95mm |
| 外壳 Case: | Aluminium |
| 舵机线 Connector wire: | 25CM |
| 马达 Motor: | Core Motor |
|
工作电压Operating Voltage Range: |
6-8.4V |
| 静态电流Idle current (at stopped) . | 6mA |
|
空载速度 No load speed: |
0.095sec/60degree(105RPM)@8.4V |
| 空载电流 Runnig current(at no load) : | 150mA@8.4V |
|
堵转扭矩 Peak stall torque: |
9.5kg.cm@8.4V |
|
额定扭矩 Rated torque: |
3.1kg.cm@8.4V |
| 堵转电流 Stall current: | 1200mA@8.4V |
| 控制信号Command si gnal | Pulse width modification |
| 放大器类型Amplifier type | Digital Comparator |
| 脉冲宽度范围Pulse width range | 500→2500 μsec |
| 中位位置Stop position | 1500 μsec |
| 旋转角度Running degree | 250°(at 500→2500μsec) |
| 死区宽度Dead band width | ≤8 μsec |
| 旋转方向Rotating direction | 逆时针 Counterclockwise(在1500→2000 μsec) |
| 详细规格书下载Download detailed specifications: | |
| 外形图 The Drawings: |

7kg.cm数码250度舵机/6V 




