7.4V 25kg.cm PWM Digital 180 Servo
Price: 0 $
- Parameters
- Downloads
-
Product Model No:FT825BL
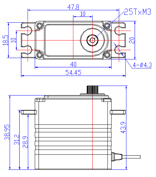
Structure Size:54.45*20*38.95mm
The Maximum Speed:0.119sec/60°@7.4V
The Stall Torque:25kg. cm@7.4V
The Rotation Degree:180°
Product details
|
型 号 Model: |
FT825BL |
|
产品名称 Product Name: |
7.4V 25kg.cm PWM数码180度金属壳钢齿轮无刷舵机 |
| 存储温度 Storage Temperature Range | -30℃~80℃ |
| 运行温度 Operating Temperature Range: | -20℃~60℃ |
|
尺寸 Size: |
A:54.45mm B:20mm C: 38.95mm |
|
重量 Weight: |
84± 1g |
| 齿轮类型 Gear type: |
钢 Steel |
| 机构极限角度 Limit angle: |
NO limit |
| 轴承 Bearing: | Ball bearings |
| 出力轴 Horn gear spline: |
25T/5.9mm |
| 减速比Gear Ratio: | 1/188 |
| 外壳 Case: | Alumi num |
| 舵机线 Connector wire: | 30CM |
| 马达 Motor: |
Brushless Motor |
|
工作电压Operating Voltage Range: |
6V-7.4V |
| 静态电流Idle current (atstopped) |
6MA@7.4V |
|
空载速度 No load speed: |
0.119sec/60°@7.4V |
| 空载电流 Runnig current(at no load) : | 250mA@7.4V |
|
堵转扭矩 Peak stall torque: |
25kg.cm@7.4V |
|
额定扭矩 Rated torque: |
8.3kg.cm@7.4V |
| 堵转电流 Stall current: | 4.2A@7.4V |
| 控制信号Command si gnal | Pulse width modification |
| 放大器类型Amplifier type | Digital comparator |
| 脉冲宽度范围Pulse width range | 500~2500 μ sec |
| 中立位置Stop position | 1500 μ sec |
| 旋转角度Running degree |
180°(at 500→2500μsec) |
| 死区宽度Dead band width | ≤4 μ sec |
| 旋转方向Rotating direction | 逆时针 Counterclockwi se (在1500→2000 μ sec) |
| 详细规格书下载Download detailed specifications: |
|
| 外形图 The Drawings: |






